Hi, my name is Thomas Vamos, and I am a senior at Catalina Foothills High School in Tucson, Arizona. I am particularly interested in electrical engineering and entrepreneurship. I’ve pursued my interests in both fields through a series of interdisciplinary and disciplinary projects, which I’ve used to expand my skills and solve real-world problems. As you navigate this website, you will see the various projects I’ve worked on throughout high school.



To create an effective system, I had to consider the physical layout of the facility. As seen in the diagram, there are two ways to access the courtyard where food is served: the main entrance and the side entrance. The flow of guests into the facility played a major role in how this project was approached. With that, I determined that data collection would be most effective as guests entered the facility.
Maintaining the dignity, humanity, and privacy of our guests was a major consideration during this project. As a result, no identifying information, like faces or names, could be collected by any proposed system.
Using silicone wristbands with 13-bit identifier and a custom-made scanning device, we could collect data with a singular scan as guests entered the Z-Mansion.


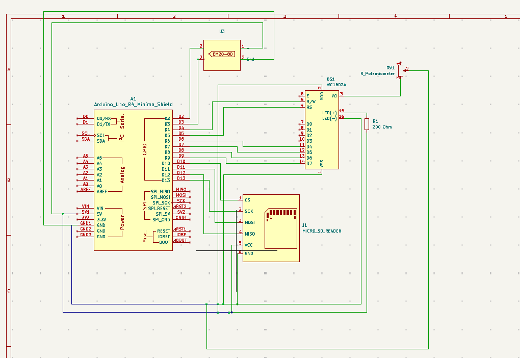
For the scanning device, I opted to create a custom Arduino-based system that could autonomously collect scans. Using an Arduino R4 Minima, an NLS-EM-20-80 Barcode Scanner, a 9-volt battery, a microSD TF Memory Card Reader Module, a 16×2 LCD Display, a Single-Pole-Single-Throw Rocker Switch, and a custom 3D-Printer frame, I created a scanning device capable of collecting barcode data. The frame was designed in Fusion360, the electronics were designed in KiCad, the Arduino was coded in C++, and the data sorting was later automated through a Python script/Google Sheets API. Development of B.I.N.G.O took the better part of 3 months, including part orders, research, coding, troubleshooting, refining, and, most importantly, learning from my mistakes.








Throughout the duration of this project, many obstacles had to be overcome and addressed in order to make the device ready for implementation under real-world conditions.

After conversing with community health researcher Thomas Hill (Also the former of the Z-Mansion), we devised an improved system that would use computer vision to passively collect data as individuals entered the Z-Mansion courtyard. After studying the YOLO and Ultralytics frameworks, I began development of a new system.






There were multiple ways to visualize data collected by CompuSense. I initially wrote a program that would take data from a logs.csv file and then plot it in Google Sheets. I quickly realized that this type of setup would be too complicated to set up for new CompuSense users, so instead I transitioned to a MatPlotLib-based system. Using MatPlotLib allowed for real-time data visualizations.
Creating a camera-based system came with many ethical and practical challenges that I had to address.
The CompuSense project is still in full force and is seeing significant strides in development. As we move into the future, we hope to expand the system by installing 2 cameras at the Z-Mansion. This will allow for more accurate counts which will helo the organization reach its resources distribution goals. Furthermore, we hope to contribute this data to homeless research at the University of Arizona and the National Institute of Health.

Many thanks to the people who have come and gone, providing their insights and knowledge throughout the duration of this project.
Zac Young – Contributed to the backend development of B.I.N.G.O.
David Young – Provided his expertise and electronics equipment.
Gordon Kim – Provided his insights on Machine Learning (ML) algorithms.
Prof. Hill – Green lighted the implementation of CompuSense at the Z-Foundation
Prof. Kramer – Helped garner media attention for the project. Provided amazing technical mentorship.